
Ö÷ÒªÓ¦ÓÃÔڵ綯¡¢»ìÏý¶¯Á¦Æû³µ¸ßѹÅäµçÏä¡¢³µÔسäµç»úµç³Ø°ü¡¢µç»ú¡¢µç¿ØµÈ¸¨Öú×°±¸ÅþÁ¬ÉÏ¡£
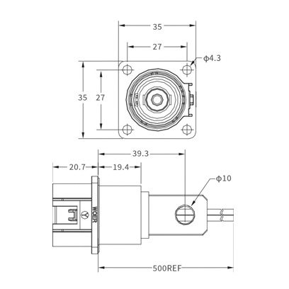
ÏÂÔØÊÖ²áÍäͷβ²¿¿ÉÕý·´×ªÏò90¡ã£¬Ê¹ÓÃÀú³ÌÖÐÄܹ»ºÜºÃµÄÀû±ã²¼Ïß¡£ÔÚ½ô´ÕµÄ¿Õ¼äÄÚ£¬ÔöÌíÁ˸ßѹ»¥ËøÉè¼Æ£¬Äܹ»ÔÚ²åºÏÀú³ÌÖкܺõı£»¤×÷Óá£
¸ÃϵÁÐÅþÁ¬Æ÷ÊÇÉè¼ÆÓڵ綯³µ¡¢»ìÏý¶¯Á¦Êг¡µÄ´óµçÈö²¥ÊäµÄÅþÁ¬Æ÷£¬¿Éѹ½Ó35ÖÁ70ƽ·½Ïߣ¬µçÁ÷ÔØÁ÷¹æÄ£Îª150¡«250A£¬Ö÷ÒªÓ¦ÓÃÔڵ綯¡¢»ìÏý¶¯Á¦Æû³µ¸ßѹÅäµçÏä¡¢³µÔسäµç»úµç³Ø°ü¡¢µç»ú¡¢µç¿ØµÈ¸¨Öú×°±¸ÅþÁ¬ÉÏ¡£
1¡¢µçÆøÌØÕ÷
¡ö ¶î¶¨µçѹ£º2000V DC
¡ö ¶î¶¨µçÁ÷(ÊÂÇéÇéÐÎζÈ30¡æ)£º
150A(ÊÊÅäµçÀÂ35mm?)
200A(ÊÊÅäµçÀÂ50mm?)
250A(ÊÊÅäµçÀÂ70mm?)
¡ö ¾øÔµµç×裺¡Ý2000M¦¸(³£Ì¬)
¡ö ÄÍ Ñ¹£º3000V AC
2¡¢ÆäËû²ÎÊý
¡ö ·À»¤Æ·¼¶£ºIP67
¡ö ÇéÐÎζȣº-40¡æ¡«+125¡æ
¡ö ÅþÁ¬Æ÷оÊý£ºµ¥Ð¾
¡ö ÅäÏß¹æ¸ñ£º30¡«70mm?µçÀÂ
¡ö »úеÊÙÃü£º¡Ý200´Î
3¡¢ÖÊÁϼ°Íâò´¦Öóͷ£
¡ö ¿ÇÌåÖÊÁÏ£ºÐ¿ºÏ½ð ÂÁºÏ?
¡ö ¿ÇÌåÍâò´¦Öóͷ££º¶ÆÄø»òÆäËû
¡ö ÃÜ·âÌåÖÊÁÏ£ºPA66
¡ö ×èȼƷ¼¶£ºUl94 V-0
¡ö ²åÕë¼°²å¿×ÖÊÁÏ£ºÍºÏ½ð
¡ö Íâò´¦Öóͷ££º¶ÆÒø
¡ö ÃÜ·âÌ壺¹èÏð½º
ֱͷ²åÍ·ÐͺÅÃ÷ϸ
| ÐòºÅ | ¶©»õÐͺŠ| ²úÆ·ÐÎò | ÊÊÅäÏßÀ¹æ¸ñ |
| 1 | HPL18*-301-35 | ֱͷ*¼üλ´ø¸ßѹ»¥Ëø²åÍ· | 35mm?ÆÁÕÏÏß |
| 2 | HPL18*-301-50 | ֱͷ*¼üλ´ø¸ßѹ»¥Ëø²åÍ· | 50mm?ÆÁÕÏÏß |
| 3 | HPL18*-301-70 | ֱͷ*¼üλ´ø¸ßѹ»¥Ëø²åÍ· | 70mm?ÆÁÕÏÏß |
| 4 | HPL18*-300-35 | ֱͷ*¼üλ²»´ø¸ßѹ»¥Ëø²åÍ· | 35mm?ÆÁÕÏÏß |
| 5 | HPL18*-300-50 | ֱͷ*¼üλ²»´ø¸ßѹ»¥Ëø²åÍ· | 50mm?ÆÁÕÏÏß |
| 6 | HPL18*-300-70 | ֱͷ*¼üλ²»´ø¸ßѹ»¥Ëø²åÍ· | 70mm?ÆÁÕÏÏß |
˵Ã÷£º¡°*¡±´ú±í¼ü룬ÓÐX¡¢Y¡¢WÈýÖÖ¼üλѡÔñ¡£
ÍäÍ·²åÍ·ÐͺÅÃ÷ϸ
| ÐòºÅ | ¶©»õÐͺŠ| ²úÆ·ÐÎò | ÊÊÅäÏßÀ¹æ¸ñ |
| 1 | HPL28*-301-35 | ÍäÍ·*¼üλ´ø¸ßѹ»¥Ëø²åÍ· | 35mm?ÆÁÕÏÏß |
| 2 | HPL28*-301-50 | ÍäÍ·*¼üλ´ø¸ßѹ»¥Ëø²åÍ· | 50mm?ÆÁÕÏÏß |
| 3 | HPL28*-301-70 | ÍäÍ·*¼üλ´ø¸ßѹ»¥Ëø²åÍ· | 70mm?ÆÁÕÏÏß |
| 4 | HPL28*-300-35 | ÍäÍ·*¼üλ²»´ø¸ßѹ»¥Ëø²åÍ· | 35mm?ÆÁÕÏÏß |
| 5 | HPL28*-300-50 | ÍäÍ·*¼üλ²»´ø¸ßѹ»¥Ëø²åÍ· | 50mm?ÆÁÕÏÏß |
| 6 | HPL28*-300-70 | ÍäÍ·*¼üλ²»´ø¸ßѹ»¥Ëø²åÍ· | 70mm?ÆÁÕÏÏß |
˵Ã÷£º¡°*¡±´ú±í¼ü룬ÓÐX¡¢Y¡¢WÈýÖÖ¼üλѡÔñ¡£
²å×ùÐͺÅÃ÷ϸ
| ÐòºÅ | ¶©»õÐͺŠ| ²úÆ·ÐÎò | ÊÊÅäÏßÀ¹æ¸ñ |
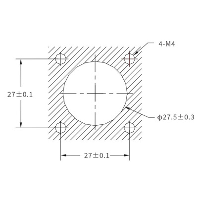
| 1 | HPL00*-301-10M10 | ´ø¸ßѹ»¥Ëø*¼üλM10ÂÝÎÆ²å×ù | M10 |
| 2 | HPL00*-301-10M8 | ´ø¸ßѹ»¥Ëø*¼üλM8ÂÝÎÆ²å×ù | M8 |
| 3 | HPL00*-301-10D10 | ´ø¸ßѹ»¥Ëø*¼üλD10ͨ¿×²å×ù | D10 |
| 4 | HPL00*-301-10D8 | ´ø¸ßѹ»¥Ëø*¼üλD8ͨ¿×²å×ù | D8 |
| 5 | HPL00*-300-10M10 | ÎÞ¸ßѹ»¥Ëø*¼üλM10ÂÝÎÆ²å×ù | M10 |
| 6 | HPL00*-300-10M8 | ÎÞ¸ßѹ»¥Ëø*¼üλM8ÂÝÎÆ²å×ù | M8 |
| 7 | HPL00*-300-10D10 | ÎÞ¸ßѹ»¥Ëø*¼üλD10ͨ¿×²å×ù | D10 |
| 8 | HPL00*-300-10D8 | ÎÞ¸ßѹ»¥Ëø*¼üλD8ͨ¿×²å×ù | D8 |
˵Ã÷£º¡°*¡±´ú±í¼ü룬ÓÐX¡¢Y¡¢WÈýÖÖ¼üλѡÔñ¡£
Ñ¡ÐÍ˵Ã÷
| ²úÆ·´úÂë | HPL |
| 18 | 18-ֱʽ²åÍ· 28-Íäʽ²åÍ· |
| X | ·ÀÎó²å¼üλ£ºX-X¼üλ ³ÈÉ« Y-Y¼üλ ÐþÉ« W-W¼üλ ºìÉ« |
| 301 | ¸ßѹ»¥Ëø£ºHVIL 300 ²»´ø¸ßѹ»¥Ëø 301 ´ø¸ßѹ»¥Ëø |
| 50 | ½ÓÏß¹æ¸ñ£º35-ÊÊÅä35ƽ·½ÏßÀ 50-ÊÊÅä50ƽ·½ÏßÀ 70-ÊÊÅä70ƽ·½ÏßÀ |
| ²úÆ·´úÂë | HPL |
| 00 | 00-²å×ù |
| X | ·ÀÎó²å¼üλ£ºX-X¼üλ ³ÈÉ« Y-Y¼üλ ÐþÉ« W-W¼üλ ºìÉ« |
| 301 | ¸ßѹ»¥Ëø£ºHVIL 300 ²»´ø¸ßѹ»¥Ëø 301 ´ø¸ßѹ»¥Ëø |
| 10D | ¿×ÖÖÀࣺ10D-ͨ¿× 10M-ÂÝÎÆ¿× |
| 10 | ¿×/ÂÝÎÆ¹æ¸ñ£º8-¦Õ8ͨ¿×/M8ÂÝÎÆ¿× 10-¦Õ10ͨ¿×/M10ÂÝÎÆ¿× |