
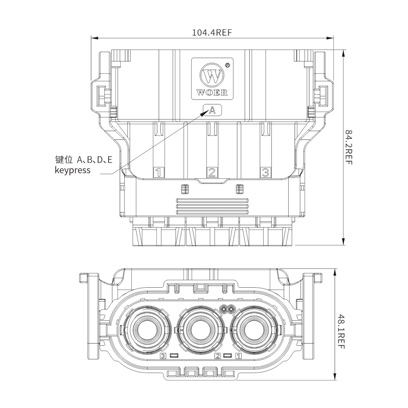
¸Ã²úƷΪËܽºÍâ¿ÇÅþÁ¬Æ÷£¬¾ßÓÐÌå»ýС¡¢ÖØÁ¿Çá¡¢±ãÓÚ×°Öá¢ÐÔÄܿɿ¿¡¢ÑŹ۵ÈÌØÕ÷£¬ÊµÏÖ360¡ãÆÁÕϹ¦Ð§¡£
²úÆ·ÊÊÓÃÓڵ綯Æû³µ¶¯Á¦µç³Ø¡¢µç»ú¿ØÖÆÆ÷¡¢PDUµÈ´óµçÁ÷×°±¸ÅþÁ¬ÖÕ¶Ë¡£
1¡¢µçÆøÌØÕ÷
¡ö ¶î¶¨µçѹ£º1000V DC
¡ö ¶î¶¨µçÁ÷(ÊÂÇéÇéÐÎζÈ30¡æ)£º
80A(ÊÊÅäµçÀÂ16mm?)
120A(ÊÊÅäµçÀÂ25mm?)
150A(ÊÊÅäµçÀÂ35mm?)
200A(ÊÊÅäµçÀÂ50mm?)
¡ö ¾øÔµµç×裺¡Ý2000M¦¸£¨³£Ì¬£©
¡ö ÄÍ Ñ¹£º3000V AC
2¡¢ÆäËû²ÎÊý
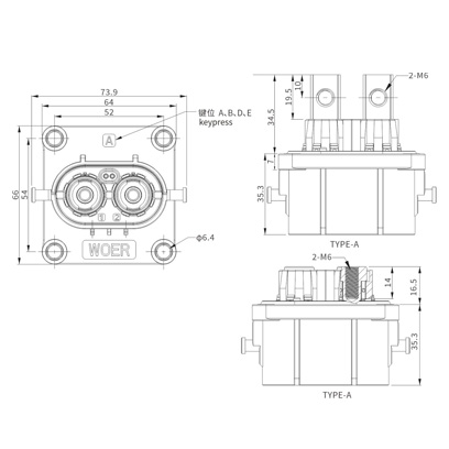
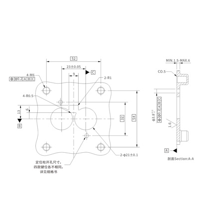
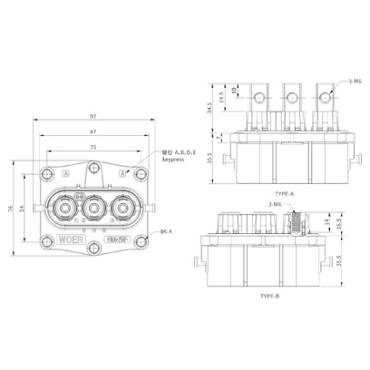
¡ö·À»¤Æ·¼¶£ºIP67
¡öÇéÐÎζȣº-40¡æ¡«+125¡æ
¡öÅþÁ¬Æ÷оÊý£ºÁ½Ð¾¡¢Èýо
¡öÅäÏß¹æ¸ñ£º16¡«50mm?
¡ö»úеÊÙÃü£º¡Ý200´Î
3¡¢ÖÊÁϼ°Íâò´¦Öóͷ£
¡ö¾øÔµÌåÖÊÁÏ£ºPA66
¡ö×èȼƷ¼¶£ºUL94 V-0
¡ö²åÕë¼°²å¿×ÖÊÁÏ£ºÍºÏ½ð
¡ö¶Ë×ÓÍâò´¦Öóͷ££º¶ÆÒø
¡öÃÜ·âÌ壺¹èÏð½º
HV800Á½Ð¾
| ÐòºÅ | ¶©»õÐͺŠ| ²úÆ·ÐÎò | ÊÊÅäÏßÀ¹æ¸ñ |
| 1 | HV80062*HC16 | Ö±²åÍ·/½Ó16mm?ÆÁÕÏÏß/´ø¸ßѹ»¥Ëø | 16mm?ÆÁÕÏÏß |
| 2 | HV80062*NC16 | Ö±²åÍ·/½Ó16mm?ÆÁÕÏÏß/²»´ø¸ßѹ»¥Ëø | 16mm?ÆÁÕÏÏß |
| 3 | HV80062*HC25 | Ö±²åÍ·/½Ó25mm?ÆÁÕÏÏß/´ø¸ßѹ»¥Ëø | 25mm?ÆÁÕÏÏß |
| 4 | HV80062*NC25 | Ö±²åÍ·/½Ó25mm?ÆÁÕÏÏß/²»´ø¸ßѹ»¥Ëø | 25mm?ÆÁÕÏÏß |
| 5 | HV80062*HC35 | Ö±²åÍ·/½Ó35mm?ÆÁÕÏÏß/´ø¸ßѹ»¥Ëø | 35mm?ÆÁÕÏÏß |
| 6 | HV80062*NC35 | Ö±²åÍ·/½Ó35mm?ÆÁÕÏÏß/²»´ø¸ßѹ»¥Ëø | 35mm?ÆÁÕÏÏß |
| 7 | HV80062*HC50 | Ö±²åÍ·/½Ó50mm?ÆÁÕÏÏß/´ø¸ßѹ»¥Ëø | 50mm?ÆÁÕÏÏß |
| 8 | HV80062*NC50 | Ö±²åÍ·/½Ó50mm?ÆÁÕÏÏß/²»´ø¸ßѹ»¥Ëø | 50mm?ÆÁÕÏÏß |
| 9 | HV80082*HC16 | Íä²åÍ·/½Ó16mm?ÆÁÕÏÏß/´ø¸ßѹ»¥Ëø | 16mm?ÆÁÕÏÏß |
| 10 | HV80082*NC16 | Íä²åÍ·/½Ó16mm?ÆÁÕÏÏß/²»´ø¸ßѹ»¥Ëø | 16mm?ÆÁÕÏÏß |
| 11 | HV80082*HC25 | Íä²åÍ·/½Ó25mm?ÆÁÕÏÏß/´ø¸ßѹ»¥Ëø | 25mm?ÆÁÕÏÏß |
| 12 | HV80082*NC25 | Íä²åÍ·/½Ó25mm?ÆÁÕÏÏß/²»´ø¸ßѹ»¥Ëø | 25mm?ÆÁÕÏÏß |
| 13 | HV80082*HC35 | Íä²åÍ·/½Ó35mm?ÆÁÕÏÏß/´ø¸ßѹ»¥Ëø | 35mm?ÆÁÕÏÏß |
| 14 | HV80082*NC35 | Íä²åÍ·/½Ó35mm?ÆÁÕÏÏß/²»´ø¸ßѹ»¥Ëø | 35mm?ÆÁÕÏÏß |
| 15 | HV80082*HC50 | Íä²åÍ·/½Ó50mm?ÆÁÕÏÏß/´ø¸ßѹ»¥Ëø | 50mm?ÆÁÕÏÏß |
| 16 | HV80082*NC50 | Íä²åÍ·/½Ó50mm?ÆÁÕÏÏß/²»´ø¸ßѹ»¥Ëø | 50mm?ÆÁÕÏÏß |
| 17 | HV80002*HH | ²å×ù/½ÓÍÅÅ/´ø¸ßѹ»¥Ëø | ½ÓÍÅÅ |
| 18 | HV80002*NH | ²å×ù/½ÓÍÅÅ/²»´ø¸ßѹ»¥Ëø | ½ÓÍÅÅ |
| 19 | HV80002*HY | ²å×ù/ÄÚÂÝÎÆ/´ø¸ßѹ»¥Ëø | ½ÓM6ÄÚÂÝÎÆ |
| 20 | HV80002*NY | ²å×ù/ÄÚÂÝÎÆ/²»´ø¸ßѹ»¥Ëø | ½ÓM6ÄÚÂÝÎÆ |
HV800Èýо
| ÐòºÅ | ¶©»õÐͺŠ| ²úÆ·ÐÎò | ÊÊÅäÏßÀ¹æ¸ñ |
| 1 | HV80063*HC16 | Ö±²åÍ·/½Ó16mm?ÆÁÕÏÏß/´ø¸ßѹ»¥Ëø | 16mm?ÆÁÕÏÏß |
| 2 | HV80063*NC16 | Ö±²åÍ·/½Ó16mm?ÆÁÕÏÏß/²»´ø¸ßѹ»¥Ëø | 16mm?ÆÁÕÏÏß |
| 3 | HV80063*HC25 | Ö±²åÍ·/½Ó25mm?ÆÁÕÏÏß/´ø¸ßѹ»¥Ëø | 25mm?ÆÁÕÏÏß |
| 4 | HV80063*NC25 | Ö±²åÍ·/½Ó25mm?ÆÁÕÏÏß/²»´ø¸ßѹ»¥Ëø | 25mm?ÆÁÕÏÏß |
| 5 | HV80063*HC35 | Ö±²åÍ·/½Ó35mm?ÆÁÕÏÏß/´ø¸ßѹ»¥Ëø | 35mm?ÆÁÕÏÏß |
| 6 | HV80063*NC35 | Ö±²åÍ·/½Ó35mm?ÆÁÕÏÏß/²»´ø¸ßѹ»¥Ëø | 35mm?ÆÁÕÏÏß |
| 7 | HV80063*HC50 | Ö±²åÍ·/½Ó50mm?ÆÁÕÏÏß/´ø¸ßѹ»¥Ëø | 50mm?ÆÁÕÏÏß |
| 8 | HV80063*NC50 | Ö±²åÍ·/½Ó50mm?ÆÁÕÏÏß/²»´ø¸ßѹ»¥Ëø | 50mm?ÆÁÕÏÏß |
| 9 | HV80083*HC16 | Íä²åÍ·/½Ó16mm?ÆÁÕÏÏß/´ø¸ßѹ»¥Ëø | 16mm?ÆÁÕÏÏß |
| 10 | HV80083*NC16 | Íä²åÍ·/½Ó16mm?ÆÁÕÏÏß/²»´ø¸ßѹ»¥Ëø | 16mm?ÆÁÕÏÏß |
| 11 | HV80083*HC25 | Íä²åÍ·/½Ó25mm?ÆÁÕÏÏß/´ø¸ßѹ»¥Ëø | 25mm?ÆÁÕÏÏß |
| 12 | HV80083*NC25 | Íä²åÍ·/½Ó25mm?ÆÁÕÏÏß/²»´ø¸ßѹ»¥Ëø | 25mm?ÆÁÕÏÏß |
| 13 | HV80083*HC35 | Íä²åÍ·/½Ó35mm?ÆÁÕÏÏß/´ø¸ßѹ»¥Ëø | 35mm?ÆÁÕÏÏß |
| 14 | HV80083*NC35 | Íä²åÍ·/½Ó35mm?ÆÁÕÏÏß/²»´ø¸ßѹ»¥Ëø | 35mm?ÆÁÕÏÏß |
| 15 | HV80083*HC50 | Íä²åÍ·/½Ó50mm?ÆÁÕÏÏß/´ø¸ßѹ»¥Ëø | 50mm?ÆÁÕÏÏß |
| 16 | HV80083*NC50 | Íä²åÍ·/½Ó50mm?ÆÁÕÏÏß/²»´ø¸ßѹ»¥Ëø | 50mm?ÆÁÕÏÏß |
| 17 | HV80003*HH | ²å×ù/½ÓÍÅÅ/´ø¸ßѹ»¥Ëø | ½ÓÍÅÅ |
| 18 | HV80003*NH | ²å×ù/½ÓÍÅÅ/²»´ø¸ßѹ»¥Ëø | ½ÓÍÅÅ |
| 19 | HV80003A*HY | ²å×ù/ÄÚÂÝÎÆ/´ø¸ßѹ»¥Ëø | ½ÓM6ÄÚÂÝÎÆ |
| 20 | HV80003A*NY | ²å×ù/ÄÚÂÝÎÆ/²»´ø¸ßѹ»¥Ëø | ½ÓM6ÄÚÂÝÎÆ |
Ñ¡Ïî˵Ã÷
| ²úƷϵÁÐ | HV800 |
| 0 | 0-·¨À¼ÅÌ×°Öòå×ù(Åä²åÕë) 6-Ö±²åÍ·(Åä²å¿×) 8-Íä²åÍ·(Åä²å¿×) |
| 2 | оÊý£º2-Á½Ð¾ 3-Èýо |
| A | ·ÀÎó²å¼üλ£ºA-A¼üλ B-B¼üλ D-D¼üλ |
| H | ¸ßѹ»¥Ëø£ºH-´ø¸ßѹ»¥Ëø N-²»´ø¸ßѹ»¥Ëø |
| C25 | H-ÍÅÅ±âÆ½¿×Ëø½ô¶Ë×Ó£¨½öÏÞ²å×ù£© Y-ÍÅÅÄÚÂÝÎÆ¶Ë×Ó£¨½öÏÞ²å×ù£© C*-ѹ½ÓÏßÀ¶Ë×Ó *´ú±íÊÊÅäÏßÀ¹æ¸ñ * C16-ÊÊÅä16ƽ·½ÏßÀ C25-ÊÊÅä25ƽ·½ÏßÀ C35-ÊÊÅä35ƽ·½ÏßÀ C50-ÊÊÅä50ƽ·½ÏßÀ |