
¸Ã²úƷΪËܽºÍâ¿ÇÅþÁ¬Æ÷£¬¾ßÓÐÌå»ýС£¬ÖØÁ¿Çᣬ±ãÓÚ×°Ö㬿ɿ¿ÐԸߣ¬¿ÉÔÚ¶àºÏÒ»ÉÏÌæ»»Á½¸öÁ½Ð¾½Ó¿Ú£¬½ÚÔ¼±¾Ç®¡£
HV360ϵÁÐÖ÷ÒªÓ¦ÓÃÓڵ綯Æû³µ¶àºÏÒ»ÉÏ£¬ÅþÁ¬¿Õµ÷£¬PTCµÈ×°±¸¡£
1¡¢µçÆøÌØÕ÷
¡ö ¶î¶¨µçѹ£º800V DC
¡ö ¶î¶¨µçÁ÷(ÊÂÇéÇéÐÎζÈ30¡æ)£º
20A(ÊÊÅäµçÀÂ2.5mm?)
25A(ÊÊÅäµçÀÂ4mm?)
400A(ÊÊÅäµçÀÂ35mm?)
¡ö ¾øÔµµç×裺¡Ý2000M¦¸
¡ö ÄÍ Ñ¹£º2750V AC
2¡¢ÆäËû²ÎÊý
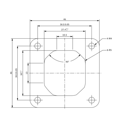
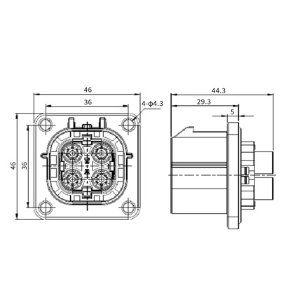
¡ö·À»¤Æ·¼¶£ºIP67
¡öÇéÐÎζȣº-40¡æ¡«+125¡æ
¡öÅþÁ¬Æ÷оÊý£ºËÄо
¡öÅäÏß¹æ¸ñ£º2.5¡«6mm?
¡öµç´ÅÆÁÕÏ£º360¡ãÆÁÕÏ
¡ö»úеÊÙÃü£º¡Ý200´Î
3¡¢ÖÊÁϼ°Íâò´¦Öóͷ£
¡ö¿ÇÌåÖÊÁÏ£ºPA66+GF25
¡ö×èȼƷ¼¶£ºUL94 V-0
¡ö²åÕë¼°²å¿×ÖÊÁÏ£ºÍºÏ½ð
¡öÍâò´¦Öóͷ££º¶ÆÒø
¡öÃÜ·âÌ壺¹èÏð½º
²åÍ·ÐͺÅÃ÷ϸ
| ÐòºÅ | ¶©»õÐͺŠ| ²úÆ·ÐÎò | ÊÊÅäÏßÀ¹æ¸ñ |
| 1 | HV36064AH02 | ²åÍ·A¼üλ ´ø¸ßѹ»¥Ëø²åÍ· | 2.5mm?ÆÁÕÏÏß |
| 2 | HV36064AH04 | ²åÍ·A¼üλ ´ø¸ßѹ»¥Ëø²åÍ· | 4.0mm?ÆÁÕÏÏß |
| 3 | HV36064AH06 | ²åÍ·A¼üλ ´ø¸ßѹ»¥Ëø²åÍ· | 6.0mm?ÆÁÕÏÏß |
²å×ùÐͺÅÃ÷ϸ
| ÐòºÅ | ¶©»õÐͺŠ| ²úÆ·ÐÎò | ÊÊÅäÏßÀ¹æ¸ñ |
| 1 | HV36004AH02 | ²å×ùA¼üλ ´ø¸ßѹ»¥Ëø²å×ù | 2.5mm?·ÇÆÁÕÏÏß |
| 2 | HV36004AH04 | ²å×ùA¼üλ ´ø¸ßѹ»¥Ëø²å×ù | 4.0mm?·ÇÆÁÕÏÏß |
| 3 | HV36004AH06 | ²å×ùA¼üλ ´ø¸ßѹ»¥Ëø²å×ù | 6.0mm?·ÇÆÁÕÏÏß |
| ²úƷϵÁÐ | HV360 |
| 64 | 64-ËÄо²åÍ· 04-ËÄо²å×ù |
| A | ¼üλ(Key)£ºA¡¢B¡¢C¡¢D(ÏÖÔÚÖ»ÓÐA¼üλ¿ÉÑ¡) |
| H | ¸ßѹ»¥Ëø£ºH-´ø¸ßѹ»¥Ëø N-²»´ø¸ßѹ»¥Ëø |
| 02 | ½ÓÏß¹æ¸ñ£º02-2.5mm? 04-4.0mm? 06-6.0mm? |