ÒøºÓ¼¯ÍŹÙÍø

ÖÐÎÄ
Espa?ol Deutsch Portugu¨ºs Fran?ais EN ÖÐÎÄ

WOER (002130): 0 0 (0%)

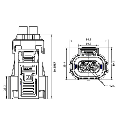
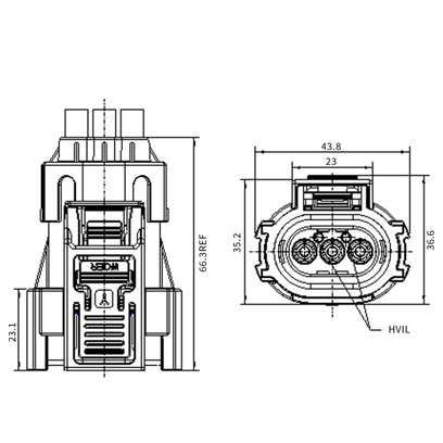
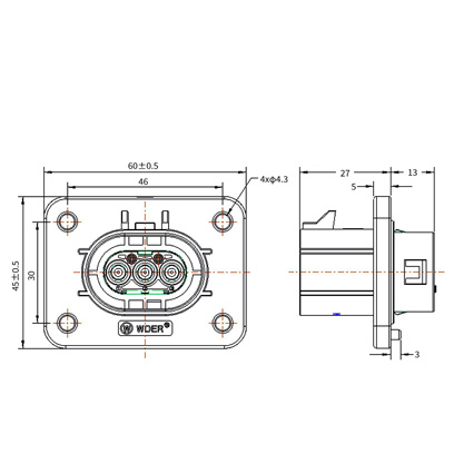
HV280LϵÁдø¸ßѹ»¥ËøÅþÁ¬Æ÷

Ó¦ÓÃÁìÓò£º

Ó¦ÓÃÓڵ綯Æû³µ¿Õµ÷¡¢PTC¡¢DC/DC¡¢Óͱá¢Æø±Ã¡¢³ý˪¡¢Âý³ä¡¢PDUµÈ¸ßѹСµçÁ÷×°±¸ÉÏ¡£

ÏÂÔØÊÖ²á

HV280LϵÁÐÖ÷ÒªÓ¦ÓÃÓڵ綯Æû³µ¿Õµ÷¡¢PTC¡¢DC/DC¡¢Óͱá¢Æø±Ã¡¢³ý˪¡¢Âý³ä¡¢PDUµÈ¸ßѹСµçÁ÷×°±¸ÉÏ¡£

¸Ã²úƷΪËܽºÍâ¿ÇÅþÁ¬Æ÷£¬¾ßÓÐÌå»ýС£¬ÖØÁ¿Çᣬ±ãÓÚ×°Ö㬿ɿ¿ÐԸߡ£¾ßÓжàÖÖ·ÀÎó²å¼ü룬½ÓÏß¹æÄ£´ó£¬360¡ãÆÁÕϵȹ¦Ð§¡£ 


1¡¢µçÆøÌØÕ÷

¡ö ¶î¶¨µçѹ£º800V DC

¡ö ¶î¶¨µçÁ÷(ÊÂÇéÇéÐÎζÈ30¡æ):

                         20A(ÊÊÅäµçÀÂ2.5mm?)

         25A(ÊÊÅäµçÀÂ4mm?)   

                         40A(ÊÊÅäµçÀÂ6mm?)

¡ö ¾øÔµµç×裺¡Ý2000M¦¸(³£Ì¬)

¡ö ÄÍ  Ñ¹£º2750V AC

2¡¢ÆäËû²ÎÊý

¡ö·À»¤Æ·¼¶£ºIP67

¡öÇéÐÎζȣº-40¡æ¡«+125¡æ

¡öÅþÁ¬Æ÷оÊý£ºÁ½Ð¾¡¢Èýо

¡öÅäÏß¹æ¸ñ£º2.5¡«6mm?

¡öµç´ÅÆÁÕÏ£º360¡ãÆÁÕÏ

¡ö»úеÊÙÃü£º¡Ý200´Î

3¡¢ÖÊÁϼ°Íâò´¦Öóͷ£

¡ö¿ÇÌåÖÊÁÏ£ºPA66+GF25

¡ö×èȼƷ¼¶£ºUL94 V-0

¡ö²åÕë¼°²å¿×ÖÊÁÏ£ºÍ­ºÏ½ð

¡öÍâò´¦Öóͷ££º¶ÆÒø/¶ÆÄø

¡öÃÜ·âÌ壺¹èÏð½º


²åÍ·ÐͺÅÃ÷ϸ

ÐòºÅ¶©»õÐͺŲúÆ·ÐÎòÊÊÅäÏßÀ¹æ¸ñ
1

HV280L62*H02

²åÍ·*¼üλ´ø¸ßѹ»¥Ëø²åÍ·

2.5mm?ÆÁÕÏÏß

2

HV280L62*H04

²åÍ·*¼üλ´ø¸ßѹ»¥Ëø²åÍ·

4.0mm?ÆÁÕÏÏß

3

HV280L62*H06

²åÍ·*¼üλ´ø¸ßѹ»¥Ëø²åÍ·

6.0mm?ÆÁÕÏÏß

4

HV280L62*N02

²åÍ·*¼üλÎÞ¸ßѹ»¥Ëø²åÍ·

2.5mm?ÆÁÕÏÏß

5

HV280L62*N04

²åÍ·*¼üλÎÞ¸ßѹ»¥Ëø²åÍ·

4.0mm?ÆÁÕÏÏß

6

HV280L62*N06

²åÍ·*¼üλÎÞ¸ßѹ»¥Ëø²åÍ·

6.0mm?ÆÁÕÏÏß

7

HV280L63*H02

²åÍ·*¼üλ´ø¸ßѹ»¥Ëø²åÍ·

2.5mm?ÆÁÕÏÏß

8

HV280L63*H04

²åÍ·*¼üλ´ø¸ßѹ»¥Ëø²åÍ·

4.0mm?ÆÁÕÏÏß

9

HV280L63*H06

²åÍ·*¼üλ´ø¸ßѹ»¥Ëø²åÍ·

6.0mm?ÆÁÕÏÏß

10

HV280L63*N02

²åÍ·*¼üλÎÞ¸ßѹ»¥Ëø²åÍ·

2.5mm?ÆÁÕÏÏß

11

HV280L63*N04

²åÍ·*¼üλÎÞ¸ßѹ»¥Ëø²åÍ·

4.0mm?ÆÁÕÏÏß

12HV280L63*N06²åÍ·*¼üλÎÞ¸ßѹ»¥Ëø²åÍ·6.0mm?ÆÁÕÏÏß

²å×ùÐͺÅÃ÷ϸ

ÐòºÅ¶©»õÐͺŲúÆ·ÐÎòÊÊÅäÏßÀ¹æ¸ñ
1

HV280L02*H02

²å×ù*¼üλ´ø¸ßѹ»¥Ëø²å×ù

2.5mm?·ÇÆÁÕÏÏß

2

HV280L02*H04

²å×ù*¼üλ´ø¸ßѹ»¥Ëø²å×ù

4.0mm?·ÇÆÁÕÏÏß

3

HV280L062*H06

²å×ù*¼üλ´ø¸ßѹ»¥Ëø²å×ù

6.0mm?·ÇÆÁÕÏÏß

4

HV280L02*N02

²å×ù*¼üλÎÞ¸ßѹ»¥Ëø²å×ù

2.5mm?·ÇÆÁÕÏÏß

5

HV280L02*N04

²å×ù*¼üλÎÞ¸ßѹ»¥Ëø²å×ù

4.0mm?·ÇÆÁÕÏÏß

6

HV280L02*N06

²å×ù*¼üλÎÞ¸ßѹ»¥Ëø²å×ù

6.0mm?·ÇÆÁÕÏÏß

7

HV280L03*H02

²å×ù*¼üλ´ø¸ßѹ»¥Ëø²å×ù

2.5mm?·ÇÆÁÕÏÏß

8

HV280L03*H04

²å×ù*¼üλ´ø¸ßѹ»¥Ëø²å×ù

4.0mm?·ÇÆÁÕÏÏß

9

HV280L03*H06

²å×ù*¼üλ´ø¸ßѹ»¥Ëø²å×ù

6.0mm?·ÇÆÁÕÏÏß

10

HV280L03*N02

²å×ù*¼üλÎÞ¸ßѹ»¥Ëø²å×ù

2.5mm?·ÇÆÁÕÏÏß

11

HV280L03*N04

²å×ù*¼üλÎÞ¸ßѹ»¥Ëø²å×ù

4.0mm?·ÇÆÁÕÏÏß

12HV280L03*N06²å×ù*¼üλÎÞ¸ßѹ»¥Ëø²å×ù6.0mm?·ÇÆÁÕÏÏß

Ñ¡ÐÍ˵Ã÷

Ñ¡ÐÍϵÁÐHV280L
6262-Á½Ð¾²åÍ·   63-Èýо²åÍ·   02-Á½Ð¾²å×ù   03-Èýо²å×ù
A¼üλ£ºA¡¢B¡¢D¡¢E
H¸ßѹ»¥Ëø£ºH-´ø¸ßѹ»¥Ëø    N-²»´ø¸ßѹ»¥Ëø
02½ÓÏß¹æ¸ñ£º02-2.5mm?£¬   04-4.0mm?£¬   06-6.0mm?


·µ»Ø