ÒøºÓ¼¯ÍŹÙÍø

ÖÐÎÄ
Espa?ol Deutsch Portugu¨ºs Fran?ais EN ÖÐÎÄ

WOER (002130): 0 0 (0%)

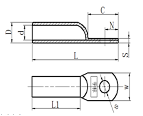
¹Üѹͭ½ÓÏß¶Ë×Ó

Ó¦ÓÃÁìÓò£º

¹Üѹͭ½ÓÏß¶Ë×ÓÖ÷ÒªÓ¦ÓÃÓÚ»§ÄÚ£¨»ò¸ÉÔïÇéÐÎÏ»§Í⣩35KV¼°ÒÔÏÂͭоµçÀÂÖÕ¶ËÓëµçÆ÷×°±¸Í­¶ËÅþÁ¬

ÏÂÔØÊÖ²á

1¡¢½ÓÄɶÆÎý£¬ËáÏ´µÈÍâò´¦Öóͷ£¡£¾ßÓп¹Ñõ»¯ÄÜÁ¦Ç¿£¬ÄÍÇÖÊ´ÐÔÇ¿£¬Í¨µçÐÔÄܺõÈÓŵã¡£
2¡¢½ÓÄÉÓÅÖÊÍË»ðÖÊÁÏ£¬¿ÉÓÅ»¯ÖÊÁϼ°Æäѹ½ÓÐÔÄÜ£¬°ü¹Üѹ½ÓÀο¿£»»úеÀ­Á¦¸ººÉÊÔÑé»ñµÃ¹ú¼ÒµçÁ¦Æ÷²Ä²úÆ·Çå¾²ÐÔÄÜÖÊÁ¿¼àÊÓÄ¥Á·ÖÐÐļì²â±¨¸æ£¬¼ì²âÒÀ¾Ý£ºGB/T 14315-2008¡£
3¡¢½ÓÄÉÏȽø×Ô¶¯»¯×°±¸Éú²ú¹¤ÒÕ£¬²úÆ·³ß´ç׼ȷ¡¢ÎȹÌ¡£

4¡¢½ÓÄÉÓÅÖÊT3¼°ÒÔÉÏÍ­²Ä¾«Öƶø³É£¬Í­º¬Á¿¡Ý99.7% ¾ßÓÐÓÅÒìµÄµ¼µçÐÔ£¬µ¼µçÂʲ»µÍÓÚ86%IACS¡£Í­Ô­ÖÊÁÏÇкϹú¼Ò±ê×¼£ºGB/T5231-2001¡£

image.png

image.png

·µ»Ø